Vehicle: Ford C-Max 2011-2019
Engine code: UFDB 16V 2.0TDCI ?
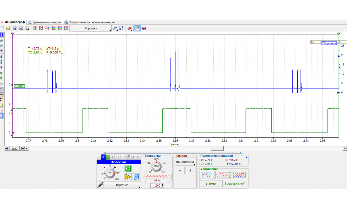
Good timing
Engine control system
Camshaft and crankshaft correlation
CKP & CMP signal
Operation mode: idling
Author: Kostus
Signal posted: Eugene (885)
Signal was added: 26-feb-2020
Comments: 0


