Мы стремимся сделать эту библиотеку еще лучше, добавляя новые функции и улучшая существующие. Однако, чтобы это произошло, нам нужна ваша помощь. Вы можете угостить нас кофе, чтобы помочь нам улучшить производительность веб-сайта и качество обслуживания клиентов. Это позволит нам добавить функции, которые сделают ваше пользование Библиотекой еще более приятным и продуктивным. Независимо от того, являетесь ли вы частым пользователем или просто наткнулись на нашу библиотеку, ваш вклад будет иметь значение. В настоящее время мы не взимаем никакой платы за использование нашей Библиотеки, но мы можем предлагать платные услуги и контент, требующие оплаты в будущем.
Библиотека осциллограмм
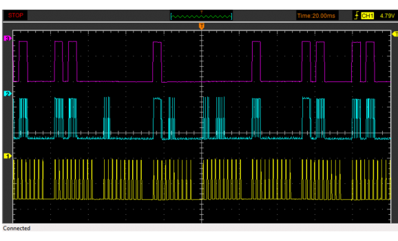
Авто : Nissan Maxima 2008-2014
Код двигателя : VQ35DE 24V 3.5L ?
Пробег: 101430 км / 63000 миль
Эталон синхронизации
Система управления двигателем
Каналы осциллограммы
- Канал A: CRANK SENSOR WHT/BLK
- Канал B: INTAKE CAM SENSOR BANK 1 WHT/RED
- Канал C: EXHAUST CAM SENSOR BANK 1 LT GRN/RED
- Канал D: COP (Coil on plug ignition) current CYL 2
Синхронизация ГРМ
Автор : RotkeeTeam (29)










Последние комментарии