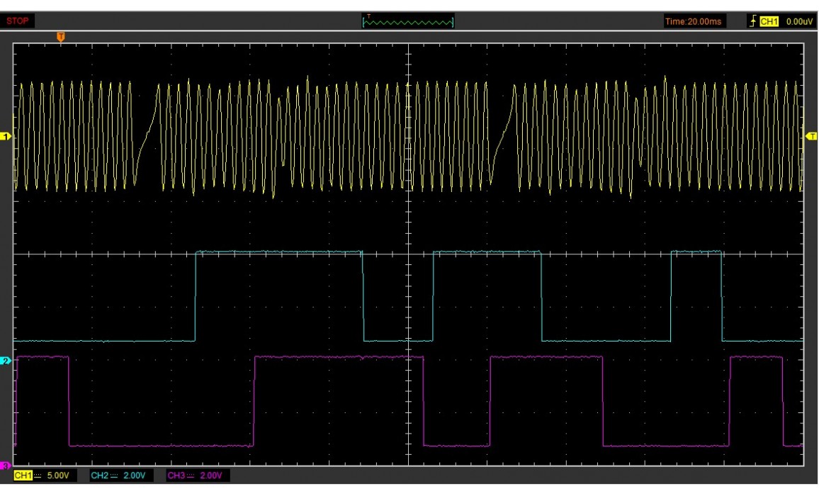
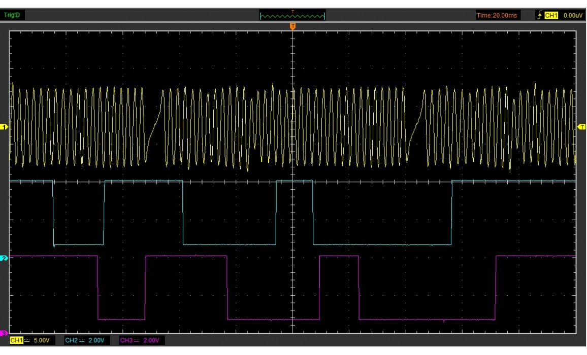
Авто: Toyota Camry 2011-2017
Код двигателя: 2AR-FE 16V 2.5L ?
Пробег: 20000 км / 12400 миль
Поврежден задающий диск
Система управления двигателем
Синхронизация ГРМ
Сигнал ДПКВ + ДПРВ
Режим работы: холостой ход
Автор: Mohammed Bierey (2)
Сигнал добавлен: 7-июн-2021
Комментарии: 0

