Авто: Nissan Juke 2010-
Код двигателя: HRA2DDT DIG-T 16V 1.2L ?
Пробег: 60000 км / 37200 миль
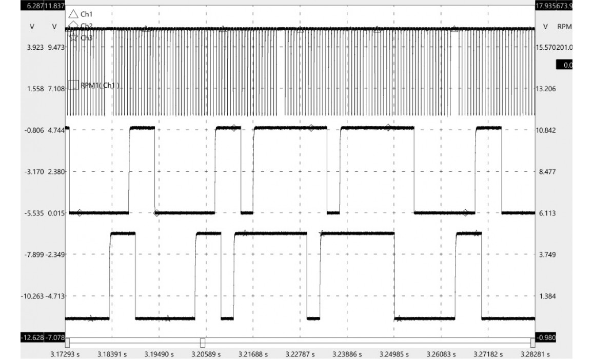
Эталон синхронизации
Система управления двигателем
Синхронизация ГРМ
Сигнал ДПКВ + ДПРВ
Режим работы: холостой ход
Автор: Wdowiak (3)
Сигнал добавлен: 18-авг-2024
Комментарии: 0


